淮亚利安科瑞电气股份有限公司,上海嘉定摘要:本文介绍基于Acrel-3000电能管理软件和网络电力仪表而设计实现的一套分散式采集和集中管理的配电自动化系统,系统实现了配电网络在监控室中智能管理的功能
一、概述 中国石油大庆石化公司,是中国石油天然气股份有限公司直属的地区分公司,从事炼油、化工、化肥、化纤生产的特大型石油化工联合企业。现有6个生产厂,2 个辅助生产厂。公司拥有生产装置131套
石油是重要能源,国民经济的命脉,同煤相比,具有能量密度大、运输储存方便、燃烧后对大气的污染程度较小等优点。中国是一个能源消耗大国,对石油的强劲需求,在十一五期间,国家在通过自产及进口的方式保障能源
一、概述 能源工业是我们国家经济发展的命脉所在,近年来,随着石油资源的紧张、石油价格的飚升,煤炭行业的重要性和不可替代性也日益凸现。但中国煤炭行业的安全生产形势却不容乐观,尤其是重、特大伤亡事
应用背景国家十一五规划明确指出,各个行业,特别是能源型企业在优化结构、提高效益和降低消耗的基础上,要强化节约和高效利用资源,提升生产过程信息化水平,实现以信息化带动自动化的目标。目前,国有大型石油
1997年3月中国石油天然气集团公司与苏丹能矿部签订了合资建设喀土穆炼油厂的协议,并与苏方合资设立了喀土穆炼油有限公司。喀土穆炼油厂设计原油加工 能力250万吨/年,采用中国常压渣油催化裂化技术,
一、概述PDA 是一种掌上型袖珍式微型计算机, 运行在内嵌式操作系统和内嵌式应用软件之上,是小巧、轻便、易带、实用和廉价的新一代超轻型计算设备。以其具有的上网浏览、下载、发送电子邮件和收发传真、红
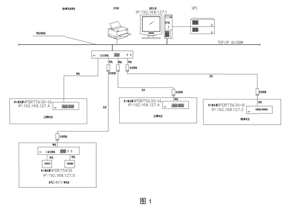
淮亚利安科瑞电气股份有限公司摘要:为提高电力系统的可靠性,对于焦作开元化工电能管理系统提出了光纤组网和屏蔽双绞线直接连接混合的方式:把仪表、组态软件与网络设备连接起来。该系统中硬件电路部分组装在开关
前言进入21世纪,信息技术日趋完善,在竞争日益激烈的今天,要实现企业利益最大化,控制智能化,抛弃或改造传统的控制系统模式成为拉必然,新的自动化控制要求成为企业管理和企业发展的必然趋势,然而在众多工
销售热线
销售微信