销售热线
塑机是生产各种化纤板材的主要设备,特别是生产建筑装饰板材,基本都是由塑机挤出成型,在当前市场竞争环境下,为提高生产效率及产品合格率,原有的塑机控制系统已满足不了生产要求,应市场应用需求,四方变频器在E380系列上开发出塑机红外控制专用变频器。
生产工艺要求:
原料粉末由最前一级加热到一定温度,通过主机传动(功率22-75KW)挤压挤出到成型模具,被成型模具定型后,成为所需规格的板材,然后由牵引机(两台1.1-1.5kw)牵引到后一级,再通过定尺按要求切成所需长度的成品。主机传动在实际生产中,会由于机械误差或电机转差造成挤出的料有所不均。如果牵引机速度一直恒定,生产的产品就会由于挤出料的不稳定,造成最终的成品板材宽度不一致。所以在实际生产中要求根据挤出料的波动,快速自动调节牵引机的速度。
控制原理:
根据挤出机工艺特点,在挤出的后端,安装一个用于检测板材相对宽度的光纤传感器,传感器信号控制牵引变频器,当检测挤出板材变宽牵引速度加快,相反板材变窄时牵引机减速。这样自动的跟踪挤出料的变化进行速度变化,以达到生产板材宽度一致。
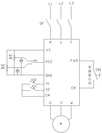
控制原理图如下:
图一

图二
控制过程:
如以上图一图二所示, SB1-SB3为控制箱面板三个转换按钮,分别控制变频器的启动,加减速的投入启动及传感器的启动。KT1-KT3分别控制UP/DW端子投入时间及报警的时间,正常运行设置中,第二速度比第一速度高。两段速度的设定值在控制箱的面板上由两块10V指示表分别显示。
首次启动运行,系统以第一段速给定,当传感器检测到信号时,说明板材超宽,牵引机需加速,变频器的主频率给定通过KA继电器瞬间转换到第二速度,此时如果信号给定一直保持大于加速时间继电器设定的时间,变频器X1端子有信号,在主频率的基础上叠加一个频率输出以增加电机转速。
相反,当传感器检测不到信号,说明板材变窄,牵引机需减速,变频器从第二段主频率给定速度快速转到第一段,(如果当前运行在第一段速,那么主频率给定不变)。同理如超过减速时间继电器设定的时间还没检测到信号,变频器X2端子有信号,变频器一直减速,直到传感器检测到有信号为止。
通过传感器对板材的实时检测,控制牵引机的速度以便达到板材宽度的一致性。四方专用型变频器主要参数设置如下:
F0.1=8 频率输入方式选择组合设定
F0.4=0001 运行通道选择外部端子控制
F0.10=6 加速时间
F0.11=6 减速时间
F2.12=31 频率给定选择VC2+UP/DW
F2.18=0001 UP/DW频率掉电不记忆
F3.0=13 频率递增
F3.1=14 频率递减
F4.23=0.3 UP/DW端子修改速率
调试说明:
变频器出厂值已是最优的参数,但每台设备工况还是稍有不同,所以调试初期第一次试运行,首先不启动红外开关及UP/DW开关,根据经验值设定第一段速设为24HZ,第二段速设为26HZ,控制UP/DW端子的时间继电器设为2秒,报警继电器根据实际情况是否开启。
设备在无反馈下运行,根据主机的运行速度,牵引机线速度如果偏差量不是很大,基本上就可以确定好第一和第二段的主频率给定,然后开启红外控制进行自动的加减速调节。同时设置UP/DW的速率,这个值设置过高会引起震荡加剧,设置过低对现场响应过慢,就会影响板材的质量,端子速率一般设置范围在0.3-0.5以内。
结束语:
调试运行一段时间,完全达到客户的要求,同时生产效率和产品合格率大大的提高。四方产品在塑机红外检测上成功的应用,再次证明四方公司对市场的快速响应能力及强大的研发能力。
1 项目背景LED分光机主要用于LED产品光色一致性的检测和分光,配有精密的光谱分析仪,具有高智能性,可自动检测出不合格产品并将之吹入废料盒,系统架构是由圆形振动盘与平行振动轨道负责送料,以吸嘴将
维控人机在人造雾设备上的应用一、引言 人造雾是利用专用造雾主机将经过精密过滤处理的水,输送到造雾专用高压管网(耐压14MPa),最后到达造雾专用喷头喷出成雾。所有的工作机组控制是由PLC和HMI的协
一、背景介绍挥发性有机物(VOCs)是形成细颗粒物(PM2.5)、臭氧(O3)等二次污染物的重要前体物,进而引发灰霾、光化学烟雾等大气环境问题。随着我国工业化和城市化的快速发展以及能源消费的持续增长
项目背景随着国民经济的持续发展,能源问题日益的突出,各类能源的开发与消耗逐渐增大,煤炭、石油作为不可再生资源更显得供应的紧张, 节能问题愈来愈受到重视。近几年,电力电子技术与变流技术的高速发展,高压变
全网最全8PT低压开关柜介绍北京天拓四方科技有限公司产品介绍SIVACON-8PT低压开关柜具有用于建筑行业和工业领域的标准型结构。SIVACON是向世界各地推广的配电低压装置,它可应用在最大额定电
应用需求工业电脑应用在在机器视觉行业中,系统通过机器视觉产品(即图像摄取装置,分 CMOS 和CCD 两种)将被摄取目标转换成图像信号,传送给专用的图像处理系统,根据像素分布和亮度、颜色等信息,转变
作者:海为用户 魏大明一、应用背景现在市面上的简易型灌装机大多采用称重仪表的输入输出口直接控制阀门,由于受到控制点限制,精度往往达不到控制需求。二、应用需求自动灌装时,空桶上秤后,按下灌装启动按钮,
汽车产业的快速发展,给橡胶行业带来一片繁荣景象。轮胎、胶管、三角带和密封条等是汽车制造必不可少的配件。橡胶需经过炼胶、剪切、成型、硫化等过程才能制成成品。其中有些环节粉尘、油渍、蒸汽较多。恶劣的工作

