销售热线
关键词:可编程控制器PLC 变频器 恒压 自动控制
引言:
随着全国的城镇化发展,高层建筑是其比较突出的一个特点,并且是越来越高,那么随之而来的一个问题是供水问题,不管是居住楼和办公楼都离不开水。那么如何保持供水压力的恒定、提高供水质量是相当重要的,同时也应保证供水的可靠性与安全性。但随着PLC的发展与应用,这个问题得到了解决,那么下面给大家介绍一下PLC是如何解决的。
一 供水方式与控制系统
1. 本设计由主供水回路、备用供水回路、一个清水池及泵房组成。其中,泵房装有三台泵机,还有多个电动闸阀或电动蝶阀控制各供水回路和水流量。控制系统采用了PLC,为防止系统给变频器反送电,损坏变频器,接触器KM1和KM2、KM3和KM4、KM5和KM6必须进行机械互锁,下图为泵机部分的原理图:

2.系统控制要求
(1)供水压力要求恒定,波动一定要小,在换泵时候尤其要保证好。
(2)3台泵根据压力的设定,采用先开先停。
(3)为了防止一台泵长时间运行,需设定运行时间。到时间时,自动切换到下一台泵,以防止泵长时间不用而锈死。
(4)要具有完善的保护和报警功能。
(5)为了检修和应急要设有手动功能。
(6)具有水池防抽空功能。
3.PLC的选型
根据系统在提高供水质量和节能方面的要求和功能,采用奥越信 200系列 CPU224DPLC与变频器组成的控制系统。
4.PLC的I/O分配
系统占用PLC的4个输入点与9个输出点,下图为I/O分配表

5.电气控制系统原理图
(1)主电路图
下图中,M1、M2、M3为三台电动机,交流接触器KM1--KM6控制三台电动机的运行,KH1、KH2、KH3为电动机M1、M2、M3的热继电器。

(2)PLC(OYES cpu224C)的接线图

(3)控制电路图
电气控制路线如下图所示。图中,SA为手动/自动转换开关;KA为手动/自动中间继电器,打在“1”时为手动,打在“2”时为自动,同时KA吸和。在手动状态,可以通过SB1---SB6控制三台泵的启停。在自动状态时,系统根据PLC的程序,自动控制。HL1---HL8为各种运行的指示灯。中间继电器KA的常开触点接I0.3,控制自动状态时的启动。在自动状态下,三台泵在PLC的控制下能够有序而平稳地切换、运行。KH1、KH2、KH3为三台泵的热继电器的常闭触点,可对电动机进行过流保护。

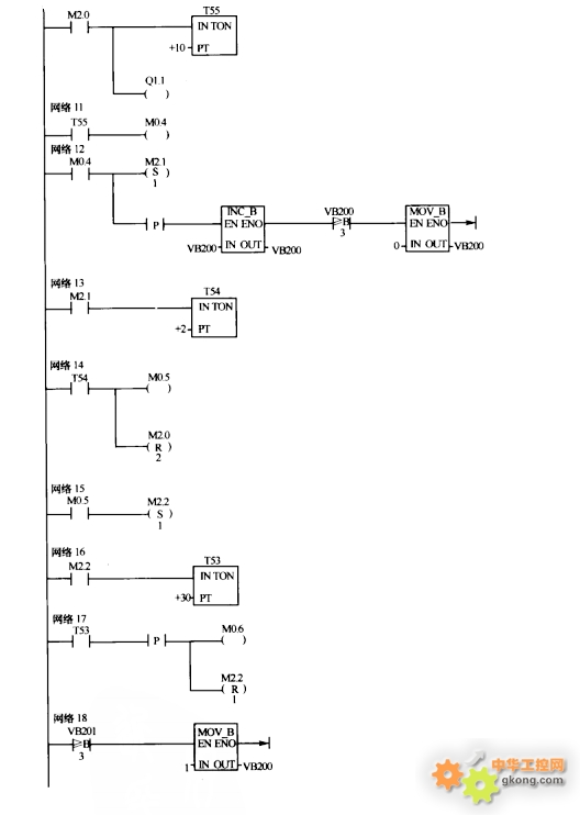
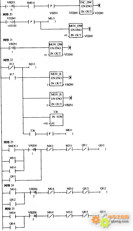
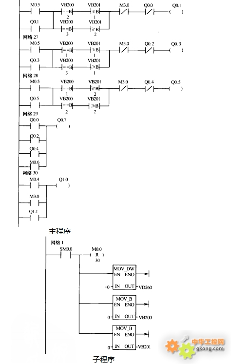
6.系统程序设计




系统程序包括主程序和启动子程序,主程序包括参与调节程序和电动机切换程序;启动子程序实际上是清0程序,在PLC上电时,先将VB200、VB201、VD260赋值为0,作为中继的M复位。
在主程序中,T56、T57为变频器频率上、下限到达滤波时间继电器,主要用于稳定系统。VB200为变频泵的泵号,VB201为工频运行泵的总台数,VD260为倒泵时间存储器。
二 总结
本设计恒压变频供水设备由PLC、变频器、传感器、低压电气控制柜和水泵等组成,对于这个设计,试用于大部分的高层建筑供水系统,部分要根据现场另行更改。本系统能够在奥越信CPU224C的控制下,稳定的对三台泵进行控制,完全满足所需要的控制要求。未来将有更智能的恒压控制供水系统,这个都建立在PLC控制的基础之上,希望大家能一起交流,让PLC在更多领域为大家解决问题,给大家的生活带来便利。
三小场所是指具有销售、服务性质的商店、营业性餐馆、饭店、小吃店、汽车摩托车修理店、洗衣店、电器维修店等的小档口;具有加工、生产、制造性质的家庭作坊等小作坊;具有休闲、娱乐功能的酒吧、茶艺馆、沐足屋
背景矿灯是煤矿工人必备的井下照明灯具,矿灯的安全也是煤矿安全生产不可或缺环节。保证矿灯的安全,除了要确保矿灯性能和质量过关外还需要有一套完备的管理系统。目前在国内,各大中小型煤矿在矿灯管理这一块仍
中达电通股份有限公司 太原分公司 杨伟强 摘 要:通过讨论台达PLC的键盘输入功能和人机界面在组合开关中的应用,介绍基于台达机电技术的防爆控制系统解决方案。 关键字:防爆 PLC 4行4
物联网设备进行数据传输根据其传输距离的远近有着不同的选择,根据不同传输协议的特点选择最佳的数据传输方式,才能发挥设备的最佳效果。短程物联网解决方案:A.射频识别(RFID)射频识别(RFID)是最早
挑战 为BAE系统公司创建新型的测试套件,用于对“欧洲武士”型战机上的主要单元进行有效测试。解决方案利用NIPXI/CompactPCI平台和NILabVIEW软件来设计一个简化的测试系统,通过更灵
系统背景近来,移动数据网络资费正在不停降低,无线通信的成本在逐年减少,而依靠无线网络进行数据传输的工控行业的远程监控成本也大幅度降低,让工控无线监控行业得以快速发展。泵站无线监控也是其中之一,以往的
概述 配电变压器是配电网中的一个重要设备,配电变压器是电力供电的最基本单元,配电变压器的监控对配电自动化管理、线损分析、负荷预测、电力需求的管理具有重大意义。 配电变压器(简称配变)是配电网中将电
近几年,智能快递柜已开始在国内起步发展,小部分地区已经出现了智能快递柜的身影,它们分布在大中专院校、企事业单位、社区、写字楼、工厂等地。去年,中 国人民大学启用了全自助式智能快递柜,率先在高校中实现

